Siemens WI14W542EU
iQ700 Siemens WI14W542EU
Plně integrovaná premiová vestavná automatická pračka iSensoric s motorem iQdrive, extrémně úspornou energetickou účinností a technologií timeLight.
- Mnoho funkcí a programů, vysoká účinnost a pohodlná obsluha - plně integrovaná automatická pračka.
- speedPack L – zkraťte délku pracích programů nebo mějte vypráno za pouhých 15 minut.
- LED displej simpleTouch - přehledně zobrazuje všechny relevantní informace a je jednoduše ovladatelný díky dotykovým tlačítkům.
- Sledujte aktuální stav programu prostřednictvím světelné projekce na podlaze přesto, že je spotřebič instalován v lince: s technologií timeLight.
- Program outdoor/impregnace chrání nepromokavé textilie.
waterPerfect Plus
Inteligentní senzorový systém waterPerfect Plus zabezpečuje maximální účinnost při distribuci vody. Detekuje typ a množství prádla v 256 úrovních. Na základě těchto informací si pračka dokáže plně automaticky a přesně určit potřebné množství vody. Díky waterPerfect Plus je při každém praní výsledkem vždy dokonale čisté prádlo a optimální spotřeba vody.
Vypere, odstředí a vymáchá v pouhých 15 minutách: program Super15
Program super 15 vaše prádlo vypere, odstředí a vymáchá za pouhých 15 minut. Proto je ideální pro kohokoli, kdo potřebuje rychle vyprat lehce znečištěné oblečení (například po cvičení).
Program outdoor/impregnace pro jemnou ochranu outdoor textilií.
Program outdoor/impregnace je speciálně navržen pro high-tech nepromokavé textilie a používá inteligentní způsoby otáčení bubnu společně s optimalizovanou regulací teploty.
Jemný prací cyklus chrání citlivou vodu nepropustnou membránu. Při použití s impregnačním prostředkem je program velmi vhodný pro oděvy pro každé počasí, sport a outdoorové oblečení.
aquaStop® chrání proti poškození vodou
Bezpečnostní systém aquaStop® chrání po celou dobu životnosti spotřebiče před všemi druhy poškození vodou - například přetečením nebo prosakováním.
Efektivní, odolný a tichý: iQdrive.
Vždy příjemně a tiše, ať už s nižší spotřebou energie při stejném výkonu, časově kratších programech s optimálním výsledkem praní nebo dokonce s maximálními otáčkami odstřeďování - to vše není problém pro bezkartáčový motor iQdrive. A ke všem těmto výhodám ještě běží prakticky bez opotřebování.
S technologií speedPack L pro automatické pračky můžete urychlit prací programy nebo vyprat za pouhých 15 minut. Urychlete praní pomocí funkce varioSpeed šetřící čas nebo prádlo vyperte v rekordním čase pomocí programů super 15\' a super 30\'. S technologií speedPack L pro automatické pračky.
Buben waveDrum
Inovativní struktura bubnu waveDrum s jedinečným tvarem vlny a asymetrickými unašeči se dokonale doplňují. Pro obzvláště šetrné zacházení s prádlem.
Technická specifikace
Výkon a spotřeba
- třída energetické účinnosti1: C
- energie / voda: 62 kWh / 45 l
- kapacita náplně: 1 - 8 kg
- doba trvání programu: 3:26 h:min
- třída účinnosti odstředění: B
- rychlost odstřeďování: 400 - 1400 ot./min
- hladina hluku: 66 dB (A) re 1 pW
- třída hlučnosti: A
Programy
- speciální programy: čištění bubnu s funkcí připomenutí, jeans/tmavé prádlo, košile/halenky, mix tichý/noční praní, outdoor/impregnace, odčerpání/odstředění, mix, máchání, přikrývky, super 15/30, jemné/hedvábí, vlna/ruční praní
Speciální funkce a nastavení
- VarioSpeed: až o 55 % kratší doba pracího cyklu
- touchControl tlačítka: odložení konce programu, extra máchání, start/pauza s reload funkcí (možností doplnění prádla), teplota, VarioSpeed, předpírka, regulace počtu otáček/bez odstřeďování
Komfort a bezpečnost
- funkce reload: přerušte již běžící program, abyste do bubnu přidali jakékoli zapomenuté prádlo
- velký displej s ukazateli: průběhu programu, nastavené teploty, počtu otáček, ukazatele zbytkového času v minutách, nastavení konce praní až za 24 hod. a doporučení náplně
- Sledujte aktuální stav programu promítaný na podlahu, i když je spotřebič zabudovaný do linky: díky technologii timeLight.
- motor iQdrive: významně šetří energii a je znatelně tišší
- 10 let záruka na iQdrive motor
- aquaStop®: záruka značky Siemens domácí spotřebiče v případě poškození vodou - po celou dobu životnosti spotřebiče*
- waterPerfect Plus: optimální distribuce vody pro dokonale čisté prádlo a maximální úsporu vody
- čištění bubnu s funkcí připomenutí
- bezstupňová množstevní automatika
- systém rozpoznání pěny k jejímu odstranění při nadměrném pěnění
- kontrola nevyváženosti
- protihluková izolace: ve spodní částí pračky
- antiVibration design: zaručuje větší stabilitu a tišší chod
- jednoduše čistitelná přihrádka na prací prostředky
- nástavec na tekutý prací prostředek
- signál na konci programu
- 30cm plnící otvor, dvířka v barvě plnící otvor o průměru 30 cm s úhlem otevírání 130°
- závěs dveří volitelný
- kovový háček zavírání dvířek
Technické informace
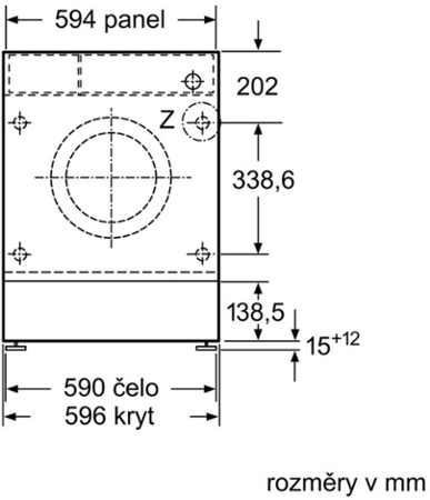
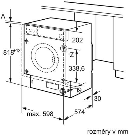
- nastavitelná výška soklu: 15 cm
- nastavitelná hloubka soklu: 6.5 cm
- rozměry (V x Š x H): 81.8 cm x 59.6 cm x 54.4 cm
- zpředu nastavitelné zadní nožičky








